钠钙双碱法脱硫工艺(Na2CO3/Ca(OH)2)是在石灰石/石膏法基础上结合钠碱法发展起来的工艺,它利用钠盐易溶于水,在吸收塔内部采用钠碱吸收SO2,吸收后的脱硫液在再生池内利用廉价的石灰进行再生,从而使得钠离子循环吸收利用,是锅炉/窑炉烟气脱硫的理想选择。
一、工艺特点
1、用钠碱脱硫,循环水基本上是[Na+]的水溶液,在循环过程中对水泵、管道、设备均无腐蚀与堵塞现象,便于设备运行与保养;
2、吸收剂的再生和脱硫渣的沉淀发生在塔外,这样避免了塔内堵塞和磨损,提高了运行的可靠性,降低了操作费用;
3、钠基吸收液吸收SO2速度快,故可用较小的液气比,达到较高的脱硫效率,一般在90%以上;
二、工艺原理
钠钙双碱法[Na2CO3/Ca(OH)2]采用纯碱启动,钠钙吸收SO2、石灰再生的方法。其基本化学原理可分脱硫过程和再生过程:
Ⅰ、脱硫过程
Na2CO3 + SO2 → Na2SO3 + CO2 (1)
2NaOH + SO2 → Na2CO3 + H2O (2)
Na2CO3 + SO2 + H2O → NaHSO3 (3)
(1)式为吸收启动反应式;
(2)式为主要反应式,pH>9(碱性较高时)
(3)式为当碱性降低到中性甚至酸性时(5<pH<9)
Ⅱ、再生过程
2NaHSO3 + Ca(OH)2 → Na2SO3 + +CaSO3↓ + 2H2O (5)
Na2SO3 + Ca(OH)2 → 2NaOH + CaSO3↓ (6)
在石灰浆液(石灰达到饱和状况)中,中性(两性)的NaHSO3很快跟石灰反应从而释放出[Na+],随后生成的[SO32-]又继续跟石灰反应,反应生成的亚硫酸钙以半水化合物形式慢慢沉淀下来,从而使[Na+]得到再生,吸收液恢复对SO2的吸收能力,循环使用。
三、工艺流程
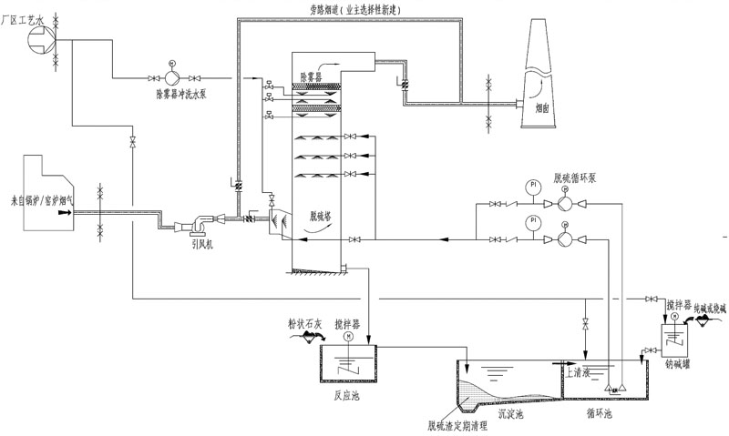
烟气经烟道从塔底进入脱硫塔。在脱硫塔内布置若干层喷淋雾化层,喷出细微液滴雾化均布于脱硫塔溶积内,烟气与喷淋脱硫液进行充分汽液混合接触,使烟气中SO2和灰尘被脱硫液充分吸收、反应,达到脱尘除SO2的目的。经脱硫洗涤后的净烟气经塔顶除雾器脱水,经脱硫塔上部进入烟囱排入大气。脱硫循环液经塔内气液接触除SO2后,经塔底管道流入沉淀池在此将灰尘沉淀下来,清液经上部溢进入反应再生池,在池内与石灰乳液制备槽引来的石灰乳进行再生反应,再生液流入泵前循环槽补入Na2CO3,由泵打入脱硫塔顶脱除SO2循环使用。其中再生产出的CaSO3及烟气中过剩氧生成的CaSO4于沉淀池中沉淀分离。
四、系统组成
双碱法脱硫工艺,系统主要由SO2吸收系统、吸收剂系统等部分组成。
SO2吸收系统由脱硫塔、塔内喷淋系统、旋流器、除雾器以及吸收液循环泵、供给管道等部分组成。
1、喷淋脱硫塔
TDL-喷淋脱硫塔是我公司为适应《锅炉大气污染物排放标准》GB13271-2014,《工业炉窑大气污染物排放标准》GB9078-1996及各地方标准,基于常规喷淋塔,并结合酸雾废气处理设备技术研发而成。该喷淋脱硫塔采用圆形塔体结构,具体由进气段、多级喷淋段、出风脱水段等组成;采用多级喷淋技术,使气液接触时间明显增长,提高除尘脱硫效率。可对锅炉、窑炉运行过程中产生的SO2、氮氧化物、氯化氢、氟化氢等酸雾气体进行有效吸附处理。
具有以下优势与特点:
1)塔体防腐蚀性能好,采用碳钢内衬天然花岗岩,天然花岗岩具有耐腐蚀、耐磨损、耐高温的特性。花岗岩固定直接关系塔体防腐性能和使用寿命,我公司基于传统水泥砂浆灌浆技术,采用定位架和一次灌浇成形技术,达到牢固、比常规技术更不容易脱落的效果,有效避免采用传统技术固定,塔体在运输、安装、运行中花岗岩脱落现象。
2)喷淋管与塔体采用法兰连接技术,与直接焊接式相比,采用法兰套接拉管式增加了喷淋管维护和检修的方便性,降低运行成本。
3)塔体底部采用立式钢模一次浇灌成型,克服了同类产品塔体底部渗水、漏水的缺陷,延长脱硫塔使用寿命,保证脱硫效果。
4)塔体接缝及内壁花岗岩间接缝处采用专用粘结剂,该粘结剂强度大、耐冲刷、耐腐蚀、耐高温,有效解决接缝处漏水、塔体腐蚀等问题,延长设备使用寿命,避免其他厂家采用胶泥或水泥连接后,塔体接缝处经长时间冲刷而导致花岗岩脱落,降低使用寿命。
5)该设备占地面积少,运行阻力低、外形美观等特点,且耐腐蚀性强,使用寿命长,运行能耗低,塔上安装维修人孔、供液管道及维修平台、爬梯等辅助设施,安装、检修方便。
2、喷淋系统
喷淋系统包括管线、喷嘴、支撑、加强件和配件等。浆液喷淋系统设计我公司根据有效计算,并结合多年丰富工程经验,在塔内合理而科学的设置多层喷淋雾化系统,使喷淋层的布置达到所要求的喷淋浆液覆盖率,雾化区形成无死角、重叠少的雾状液体均匀分布的雾化区段,使吸收溶液与烟气充分接触,从而保证在适当的液气比(L/G)下可靠地实现所要求的脱硫效率。
喷淋组件及喷嘴的布置设计成均匀覆盖吸收塔的横截面。喷嘴为316L螺旋喷嘴。
3、除雾器
除雾器用于分离烟气携带的液滴,其系统组成:二级除雾器,除雾器系统包括一台安装在下部的一级除雾器和一台安装在上部的二级除雾器。
位于下部的第一级除雾器是一个大液滴分离器,叶片间隙稍大,用来分离上升烟气所携带的较大液滴。上方的第二级除雾器是一个细液滴分离器,叶片距离较小,用来分离上升烟气中的微小浆液液滴。烟气流经除雾器时,液滴由于惯性作用,留在挡板上。除雾器设置定期冲洗装置,防止除雾器堵塞。
4、钢结构,平台和扶梯
设计全部设备检修和维护平台、使检修和维护工作能够顺利进行。设计时考虑系统与设备的热膨胀,以及平台、扶梯和栏杆协调性(如型式、色彩)。所有设备检修和维护平台、扶梯采用钢结构。
5、脱硫渣处理系统
脱硫副产物为亚硫酸钙或硫酸钙(氧化后),在沉淀池快速沉淀,沉淀的渣浆人工用行车抓斗或潜水排污泵定期清理。用户可以根据自己的需要,采用不同的方法对副产品进行处理,可要用于填埋、铺路,也可以作建筑材料如制砖、水泥添加剂、混凝土骨料、人行道砖等。



位访问者